
Navštíveno 2531x

nevite nekdo jaky je barevmy oznaceni na napejani? Je to fiesta z 89. Nejakej chytrak utrhal konektory
pokud máš žárovičkovou zkoušečku tak to lehce proměříš...
to vim taky jenze tam je nejakech 5 kabelu a schema by bylo lepsi zlast kdyz se v tom zkoro nevyznam

04.03.2010, 23:24 |
Sodom tohle mám odzkoušeno na Mondeu,tak snad ti to pomůže

Pokusim se neměl by si barevný označený nějakej chytrák co to měl předemnou utrhal konektory

05.03.2010, 14:48 |
Sodom barevný označení nemám.
a nemoch by si se me kouknout?

06.03.2010, 17:34 |
Sodom mohl,ale až zítra.

08.03.2010, 09:37 |
Tony (M)
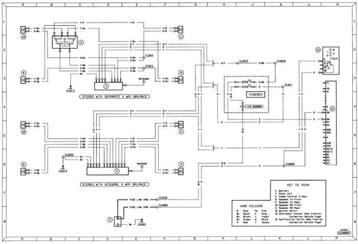
Treba ti pomuze tohle schema:
Full size:
[ Link ] 
díky za chéma pokusim se v tom nějak zorientovat nejsem elektrikář