
Navštíveno 3315x


01.03.2010, 16:55 |
hafik ahojte jsem tady novy a potreboval bych poradit jestli je to mozne?jsem uplny amater tak nevim.mam radio alpine ida-x300 s 1rca,k tomu mam vzadu ovaly edge ED209 a v predu compa edge ED306
[ Link ] a k tomu mam subwoofer 10" mutant MTCON10 tento
[ Link ] a to vse by jsem chtel nejak propojit pres to jedno rca na 5channel zesilovac a to tento
[ Link ] . vim je to vsechno takovy neznackovy ale na zacatek to chci zkusit. myslite ze by to nejak slo?prosim muzete mi nekdo poradit nebo snad maly navod dat?:-) predem mooc dekuji


01.03.2010, 16:56 |
hafik

01.03.2010, 16:56 |
hafik

01.03.2010, 17:10 |
hawai | Upraveno: 2010-03-01 17:16:05
předpokládám že máš jeden ,,pár,, RCA? jeden červenej a jeden bílej konektor? pak by šlo natáhnout jeden signálovej kabel a u zesíku dát Y-signálový kabely, jsou to takový rozdvojky jakoby. kdyžtak je mam na prodej: tady pod číslem 12)
[ Link ] tim vyřešíš signál pro 4 kanály, tj. pro kompa i pro ovály. se subem to bude už asi horší

01.03.2010, 17:16 |
hafik no prave a me nejvice tgrapi ten sub:-( a neslo by to propojit u toho ampu tu jednu rozdvojku jete dalsima dvema? ten zesik ma svuj ovladas na sub.

01.03.2010, 17:20 |
hawai | Upraveno: 2010-03-01 17:25:57
teoreticky by to asi možný bylo. nebo další možnost napojit nějakej pár repro na 2ohmy do můstku, pak by ti teoreticky stačil pro tenhle pár repro jen jeden konektor a tim pádem by ti jeden zbyl a ten bys mohl použít pro ten sub

01.03.2010, 17:22 |
hawai snad jsem to napsal srozumitelně :-)

01.03.2010, 17:31 |
hafik a ten jeden bych dal kam kdyz na zesiku jsou dva vstupi rca pro sub? a jeste jedna malickost jak to propojim na dva ohmy? vim moc to nepobiram ale teprve se ucim.dekuji


01.03.2010, 17:32 |
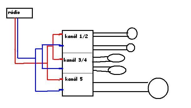
hawai hodim ti sem obrázek....

01.03.2010, 17:39 |
hawai podle mě by to takhle mohlo fungovat. teď jen záleží jestli tvýmu zesilovači stačí mít zapojenej jen jeden konektor i když má 2 vstupy. ale třeba muj to umí, mam 2kanál zapojenej do můstku a jeden zapojenej konektor stačí


01.03.2010, 17:50 |
hafik tak to je super moooc dekuji a jen jeste takova drobnost,ten woofer na obrazku ma 4 vstupy? nebo jak to rict? to bych jak zapojil?a tak jak jste mi to nakreslil by to melo byt dobre jo?

01.03.2010, 17:53 |
hawai | Upraveno: 2010-03-01 17:55:31
mělo by to fungovat, jelikož kanál 3/4 máš teď napojenej jako mono a kanál 5 je taky mono, tak neni potřeba tam mít přivedený do každýho 2 rca pro stereo. u toho subu spojíš černou s černou a červenou s červenou, pak na jednu červenou přivedeš + a na černou -. sub pak budeš mít napojenej jakoby na 2ohmy

01.03.2010, 17:57 |
hawai kdyby si měl zájem o ty Y-kabely, tak mi napiš na mail a nějak se domluvíme ;-)

01.03.2010, 17:59 |
hafik nepujde to moc poznat ze ty ovaly budou hrat jako mono a ne stereo?

01.03.2010, 18:01 |
hafik a kolik jich mate?nebylo by lepsi to propojit vsechno pres ty kabely ze bych snima udelal vlastne 3 pary rca a napojil to do toho zesiku mohl by nastat nejaky problem?

01.03.2010, 18:03 |
hawai předek bude hrát jako stereo, zadek jako mono :-) s tim se v tomhle případě moc dělat nedá, ale ty stejně budeš většinu projevu vnímat ze předních komp a zadek ani moc neuslyšíš

01.03.2010, 18:06 |
hawai | Upraveno: 2010-03-01 18:07:19
kabely mam jen tyhle 2, jeden jsem měl chvilku v autě, druhej je úplně novej. jinak samozřejmě by teoreticky šlo koupit 4 Y-kabely a přes ně to napojit

01.03.2010, 18:10 |
hawai | Upraveno: 2010-03-01 18:13:12
pak bys to měl takhle


01.03.2010, 18:14 |
hafik tak ja to asi zkusim pres ty ctyry a uvidime jak to pujde a moooc dekuji za rady.jen bych se zeptal co si myslite o tom zesiku a woofru?neni to malo 10" subwoofer 300w rms?

01.03.2010, 18:16 |
hafik ten druhy obrazek se mi libi:-)tim padem by ty kompa a ovaly byly stereo?

01.03.2010, 18:17 |
hawai jj, hrály by stereo jak předek, tak zadek.

01.03.2010, 18:22 |
hawai jinak jsem ti psal mail, tak se koukni

01.03.2010, 19:18 |
hafik jojo moc dekuji jeste bych se kdyz tak ozval ja jsem ted v uk za praci tak nemam jak ale jestli se neco nezmeni tak budu doma v dubnu tak jesste uvidime ale zatim vazne mooooc diky za vsechno vazne dekuji

01.03.2010, 22:56 |
hafik mohl bych se jeste zeptat?vsechny repraky maji napsane na magnetu 4ohm a subwoofer ma dual 2ohm.jde to vsechno zapojit na dva ohmy a po pripadne nuzu jeste poprosit o nakres jak to teda propojit?vcetne tech ctyr Y rca kablu?a jaky je rozil mezi dvouma a ctyrma ohmy?dekuji

01.03.2010, 23:08 |
hawai | Upraveno: 2010-03-01 23:09:43
tak ten sw zapojíš takhle: přívod + na jednu červenou, z ní na protější stranu na černou, z ní hned na vedlejší červenou, z ní zpátky na protější stranu na černou a na ní napojíš - . pak to budeš mít na 4 ohmy a to je ok. jde to pochopit nebo chceš radši obrázek?
dual je 2X2OHM.. Můžeš zapojit na 1ohm nebo 4ohmy (v tvém případě) jinak jako hawai

01.03.2010, 23:10 |
hawai jinak ty 4 Y budes mít podle toho druhýho obrázku

01.03.2010, 23:12 |
hafik toto chapu moc dekuji jen me zajima ze v papirech od zesiku jsou napsane vyssi hodnoty RMS watt pri zapojeni na dva ohmy tak by me jen zajimalo jestli to jde vsechno nejak zapojit na dva a vcem bude rozdil?

01.03.2010, 23:16 |
hawai | Upraveno: 2010-03-01 23:24:21
2 ohmy-vyšší výkon ale o něco nižší kvalita, 4 ohmy- nižší výkon ale lepší kvalita. v tvém případě ale nemůžeš woofer napojit na 2 ohmy, musíš buď na 4 nebo na 1, jelikož zesík umí 4 nebo 2, tak musíš volit 4.

01.03.2010, 23:16 |
petis | Upraveno: 2010-03-01 23:18:19
tenhle obrázek je blbost.

01.03.2010, 23:21 |
hawai | Upraveno: 2010-03-01 23:25:22
tady je novej a ,,snad,, uz dobre :-)

01.03.2010, 23:23 |
hawai omluva, tohle je ono, nevim co blbnu


01.03.2010, 23:24 |
petis horní 4 ohmy dolní 1 ohm


01.03.2010, 23:26 |
choze Ja bych resil RCA na sw a na predem a zadek bych pouzil vysokourovnovy prevodniky na RCa z iso konektoru. Diky tomu zachovame balance a fader nemluve o equalizeru.

01.03.2010, 23:26 |
hawai jj, jako petis

01.03.2010, 23:28 |
hafik no jo nic se nedeje ja taky a to za ctyry hodky vstavam do rachoty.ale nejak se od tady tech stranek a premysleni a koukni po ruznych vecickach pro trochu audia nemuzu odtrhnout!!!nejak me to zacina moc brat uvidime jak se mi podari tady toto a pak uvidime.jsem moc vdecny tady za to forum ctu to tady uz nejakej ten tyden ale stejne se musim ptat bo mam v hlave bordel,je toho moc:-)ale parada

01.03.2010, 23:31 |
hafik choze.moc dikes za radu to by me ani nenapadlo a kvalite bude stejna tak jako to rca?

01.03.2010, 23:35 |
choze Myslim si ze rozdil nepoznas mezi tim co jste vymysleli stema Y a tema prevodnikama na rca.

01.03.2010, 23:44 |
hafik choze a ty bys vedel jak to dat dokupy?nechci nic noveho zatim ju?prosim kdybys mel jine reseni mohl bys mi to nejak nakreslit a popsat?byl bych ti moc vdecny!nemusi to byt hned stejne jdu na kute ale bylo by fajn kdybys neco zmastil:-) dikes a dobrou a zitra again dekuji vsem

02.03.2010, 00:12 |
Radeggast | Upraveno: 2010-03-02 00:13:17
HI/LOW adapter... Místo repro káblů v ISO tam napojíš dráty z toho adaptéru a potom to rozvedeš RCAčkama... Třeba:
[ Link ] Y adaptéry... Prostě ten signál rozdělíš tolikrát, kolikrát potřebuješ... Třeba:
[ Link ] Každý má svý + i -
Já bych to prodal a koupil rádio, co má 3RCA nebo přikoupil PXA-H100 (jestli je kompatibilní)

02.03.2010, 20:03 |
hafik | Upraveno: 2010-03-02 20:04:52
prodavat se mi to nechce mooc ce mi libi:-)a tohle moze byt?
[ Link ] nebo lepsi neco znacoveho?


02.03.2010, 20:03 |
hafik