
Navštíveno 7250x


14.11.2008, 14:05 |
hrca Ahoj
Potreboval bych poradit , jesteli je nejaky zpusob umisteny auto zesilovace na domaci repro?
umístit ho můžeš :))
ale čím ho budeš napájet?

14.11.2008, 14:34 |
hrca nevym treba 12v trafem, ale tohle nebzude asi ten hlavni problem, jinak jsem amater a ptal jsem se vas tech zkusenejsich.
pokud amater, tak bych na to nejraději zapomněl :-) upřímně

14.11.2008, 14:46 |
hrca Ja vym ze to muze byt hodne velky problem,ale nejaky zaklady snad mam, a hlavne nemuzu si ted poridit novej zesilovac, ´tak me napadlo jestli by to neslo kdyz my tu lezi hladem nove zesilovac FIRST australia 1800w
to napajenie BUDE ten HLAVNI a JEDINY problem :-)
to trafo musi mat na musiku relativne vysoky vykon a zaroven dost stabilne napatie....
polozit ho mozes na zem :-) kup si zakladny home-hifi a bude to lepsie + mas zaruku, ze nevyhoris
no tke trafo nebude asi najlacnesie alebo este mozes pouzit zdoj z PC

14.11.2008, 15:24 |
clown nove zesilovac FIRST australia 1800w .. ,
jako topeni mozna .., ale zesik to fakt neni .. to i obyc Tesla za par korun na aukru zahraje 50x lip a nemusis resit napajeni za par tisic Kc k mrdce prvniho radu
podívej se na pojistky na zesíku a potom se podívej kolik dává to tvoje 12V trafo.....
Ikdyž je FirstAustria mrd*a prvního řádu tak ji PC zdroj neutáhne.Ten utáhne maximálně nějaké autorádio, ale ne zesík.Ani jakékoliv napajecí trafo podobné těm cestovním nabíječkám pro mobily to neutáhne. Ty dodávají maximálně nějaké miliAmpéry a ne třeba 20A.
Takový zdroj je hodně drahý.....
Měl bys vidět co má za monstrum SEKIN na Shopu. A to s tím pohání "JEN" cca 3x HU + nějaký zes na SW.....
Prostě a krátce: investice do jednoho zdroje který by poháněl nesmysl "First Austria" jsou mnohonásobně vyšší než investice do obyč zesíku na 220V který udělá 100% větší službu.Takže vlastně jako clown ;-)
Ježiš, proč vymýšlet takové fičuroviny.. kup klasickej zesilovač ro domácí hifi sestavu, klidně i jetej za málo peněz a máš po problémech.. možná bych pochopil, kdyby jsi to řešil kvůli nějakému kvalitnímu zesíku, ale kvůli takové nekvalitní m*dce fakt nemá cenu řešit napájení... a jak tu už padlo, ještě k tomu riskovat, jestli doma nevyhoříš...
nebo to píchni na baterku a baterku na nabíječku ;-) :-D takhle jsem jednou prudil sousedku s 12" jsem to vzal z auta píchnul zes k Pc baterku na nabíječku a už se prudilo ;-) :-D
Infernus> no to bude opravdu vypadat luxusně .... v obýváku vedle televize autobaterie, vedle ještě nabíječka a plno drátů .... :-))

17.11.2008, 22:37 |
Olda Měl jsem to taky takhle jako infernus :-d le jen na zkoušku v pokoji :) docela slušně to bušilo : )) Teď mám 6ti kanál Sony a nemám si na co stěžovat ;)

18.11.2008, 13:17 |
Frenkie | Upraveno: 2008-11-18 13:20:15
Spatna fotka - prosim smazat
tak jsem to mel doma ja

tady je moje stará home made :-) teď už je zase po upgradu kabelů atd :-)

Frenkie: jak hrajou středobasy takhle na zemi? ;-)
Vencaf: lip nez jsem cekal,ale toto bylo jen na zkousku zda to mam v poho zapojene ..... potom jsem je daval do ozvucnicek (sice jen 10l), ale to uz nemam focene ... jeste jsem mel jednu za tmy,ale tu nemuzu najit

18.11.2008, 15:58 |
koren Squere: hezky, cim to napajis a kolik ma bedynka na stredobasy?
to koren : napájený je to tim zdorjem co je pod radiem. měl by dávat cca 30A, dlouho se chystam abych si ho odměřil ale neni čas pořád. mno a bedýnky má 8 litrů ale nesedí mi že jsou spojenáý repro tak se bude předělávat ale kuwa ten čas :-)

16.01.2009, 18:37 |
manys | Upraveno: 2009-01-16 18:40:06
čaulec,hey koumal sem to tež a wykoumal sem to uplně jednoduše...s počitaču sem si wyškubl hlawní zdroj,zjistilsi ktery kabl potřebuju,a nahodil si ho na zesak,a fungowalomě to uplně bez problemu...hlawní je si zjistit ty dwa hlawní kabliky ktere sa potřebuju...přeju hodně duneni w baraku..

16.01.2009, 20:12 |
koren manys: zapomen. zdroj cca 8A vs zesik min 20A
PC zdroj je o nicem, se koukni jake z nej vedou dratky
Co to máte za zdroje? Můj Enermax Liberty 600W má 25A na 12V větvích :-)

16.01.2009, 23:07 |
koren "standartni" zdroj dava na 12V fakt to co sem psal. BTW na kolik vysel enermax?

16.01.2009, 23:13 |
hifim@ni@k | Upraveno: 2009-01-16 23:13:47
Cca. 4000K ale max. spokojenost. Mám ho kvůli stabilitě při taktování :-)

17.01.2009, 01:21 |
Cenda Potřeboval jsem odzkoušet CD Player a zes je na opravě. Chudák A3 se s těma bednama jen trápí, poslouchat se to moc nedá.
Slušnej starej zes koupíš za pár peněz, tohle není řešení, s Firstem už vůbec ne.


17.01.2009, 13:41 |
koren Cenda: pekny svorky na ty baterce
Také mě zaujaly ty svorky. Co je to zač?

17.01.2009, 18:10 |
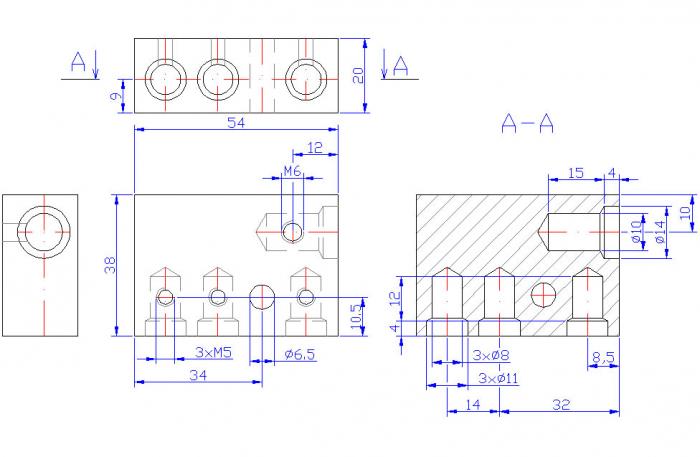
Cenda | Upraveno: 2009-01-17 18:18:53
Delany. Nejaka slitina hliniku a neceho, co jsem uz zapomnel :-)
Otvory jsou delany podle pripojovanych kabelu 21 a 35 qmm dost natesno a cervici neslouzi k plochemu uchyceni kabelu jak je to zvykem, ale jako klin, takze dochazi k lepsimu styku. Dosedací plocha na terminál baterie je prebrousena, na 0,4 (pokud si to dobre pamatuju, na vykres jsem to nekreslil)
Drzi to fest, na jednom kabelu zvednu celou 7kg baterku :-)

Pěkné. Já jsem zvažoval výrobu něčeho jako svorky a současně distribuční blok. Něco podobného jako se dělá na baterii Optima Yelow Top.